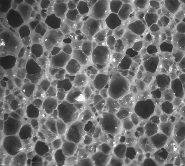
Ячейка или Газоструктурный элемент - это основная структурная единица, от которой зависят физико-механические свойства пенополиуретана (ППУ). Ячейка состоит из газового пузыря, окруженного ребрами, и представляет собой минимальный объем твердой и газовой фазы, с определенной упорядоченностью и периодичностью в материале. Они же в совокупности и создают структуру ППУ.
Ячейка характеризуется разнообразными размерами, типом распределения, формой и видом упаковки внутри пенополиуретана.

Свойства пенополиуретана определяются четырьмя структурными параметрами
Диаметр ячеек - является одним из самых важных из них. С возрастанием размера газоструктурного элемента ослабевают прочностные характеристики и значения предельной деформации материала при разрыве. Так же, чем диаметр ячеек меньше, тем больше снижаются показатели теплопроводности, что ведет к повышению теплоизоляционных характеристик.
Размер средней поры в зактрыторячеистом ППУ составляет 140 мкм. Ученые давно бьются над изобретением способа получения диаметров ячеек в тысячу раз меньше, что в перспективе уменьшит теплопроводность наполовину, и заданный уровень теплоизоляции будет достигаться в два раза меньшим количеством ППУ.
Степень вспенивания полиуретана
С ростом степени вспенивания полиуретана заметно уменьшаются показатели модуля упругости и значения прочности при сжатии. Так же степень вспенивания влияет на содержание открытых ячеек в структуре ППУ, которые усиливают паропроницаемость и поглощающей способности ППУ.
Поэтому легкие пены с плотностью свободного вспенивания 8-18 кг/м3 так легко впитывают влагу и различные запахи, и обладают прекрасной шумоизоляцией.

На рисунке №1 представлено изменение прочности при сжатии и влагопоглощения ППУ от степени его вспенивания.

На рисунке 2 представлена зависимость изменения коэффициента теплопроводности ППУ от степени вспенивания материала.
Число пор в единице объема

На рисунке 3 и 4 представлены изменения относительной прочности и удлинения при разрыве ППУ плотностью 30 кг/м3 от количества ячеек в единице объема
Общее отношение открытых и закрытых ячеек
Этот параметр определяет теплоизоляционные, звукопоглощающие характеристики ППУ. Чем выше этот показатель, тем выше паро и влагопоглощение.